OVE-APF有源滤波器
工作原理

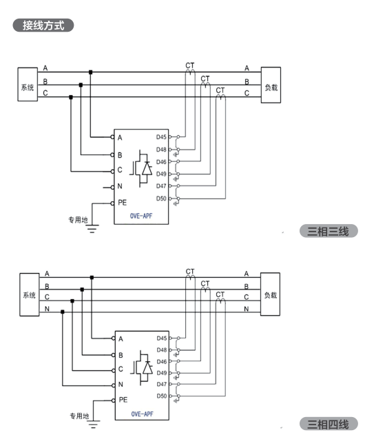
装置主要由功率变流器、直流侧电容,控制电路板、电流电压检测电路、各种电气开关与电路保护器件及电力导线(铜排)构成。
有源电力滤波器并联接入电网中,通过采样互感器实时监测出被补偿对象的负载电流,经过指令电流运算电路计算得出补偿电流的指令信号,经过补偿电流发生
电路后,生成一个大小相等、相位相反的指令电流,由电力电子器件IGBT主电路快速发出相应的补偿电流,实时抵消负载中的谐波,使得经过补偿后的电网电流
就是所需要的理想电流,达到消除谐波、净化电网的目的。
滤波效果


性能参数及功能
1)实时谐波滤除:具有全补偿和离散补偿功能,全补偿时可以同时滤除2~51次内的全部谐波;离散补偿是针对特定次数谐波定向滤除,单次可选的谐波种类达
到20种以上。
2)无功补偿功能:装置不仅可以补偿谐波,还应具备无功功率补偿、治理系统三相不平衡的功能,补偿方式多样。可有效改善电压畸变,抑制冲击性负荷引起
的电压波动。
3)控制器采用“DSP+CPLD”的全数字化设计平台,反应速度快,保护响应及时,不会因电网发生异常而损坏。
4)装置本身发生故障时有自我保护功能,但不中断供电电路,不影响正在运行的其他设备。
5)具备先进的谐振保护技术,负载变化过程中,若出现谐振,应能自动判断,并退出系统,同时报警,避免故障。
6)具备自动限流功能,当系统需求补偿量大于补偿装置的额定补偿量时,补偿装置额定补偿输出,而不会发生过载,影响设备使用寿命。
7)具有485和以太网通讯接口,可实现用户远程监控的功能要求。
应用场合

整流器、变频器、大型UPS、中频炉、电弧炉、焊机等工业型大容量非线性负载,以及商业建筑领域大量使用的荧光灯、电脑、UPS、电梯、变频空调等产生大
量的谐波,不仅严重污染电网,而且其产生的零序谐波叠加到中性线,使中性线发热,严重威胁配电系统安全。 OVE-APF系列有源滤波器不仅可以补偿谐波,
还应具备无功功率补偿、治理系统三相不平衡的功能,补偿方式多样,可有效改善电压畸变,抑制冲击性负荷引起的电压波动。
应用的项目涉及电力、医院、纺织、轨道交通、商业、银行、制药厂、新能源、设备加工制造等多个领域和行业。
技术指标

有源电力滤波器,是采用现代电力电子技术和数字信号处理技术结合而成的新型电力谐波专用设备。
有源电力滤波器相当于一个谐波电流发生器,它跟踪谐波源电流中的谐波分量,产生与之等幅反相的谐波电流,从而抵消谐波源产生的谐波电流。
有源电力滤波器可广泛用于工业、商业、信息业等各领域中的电力谐波治理,治理效果好,节能、节材,是谐波治理技术的最新发展方向,有广阔的发展前景。
